赢乐67

欢迎访问赢乐67的官方网站!

a.png

赢乐67

产品分类

联系我们

赢乐67

座机:0415-6137002

邮箱:changheng_js@163.com

邮箱:changheng_xs@163.com

传真:0415-6137002

地址:辽宁省丹东市振兴区汤池镇工业园区集环路9号

网址: cpxgk.cn



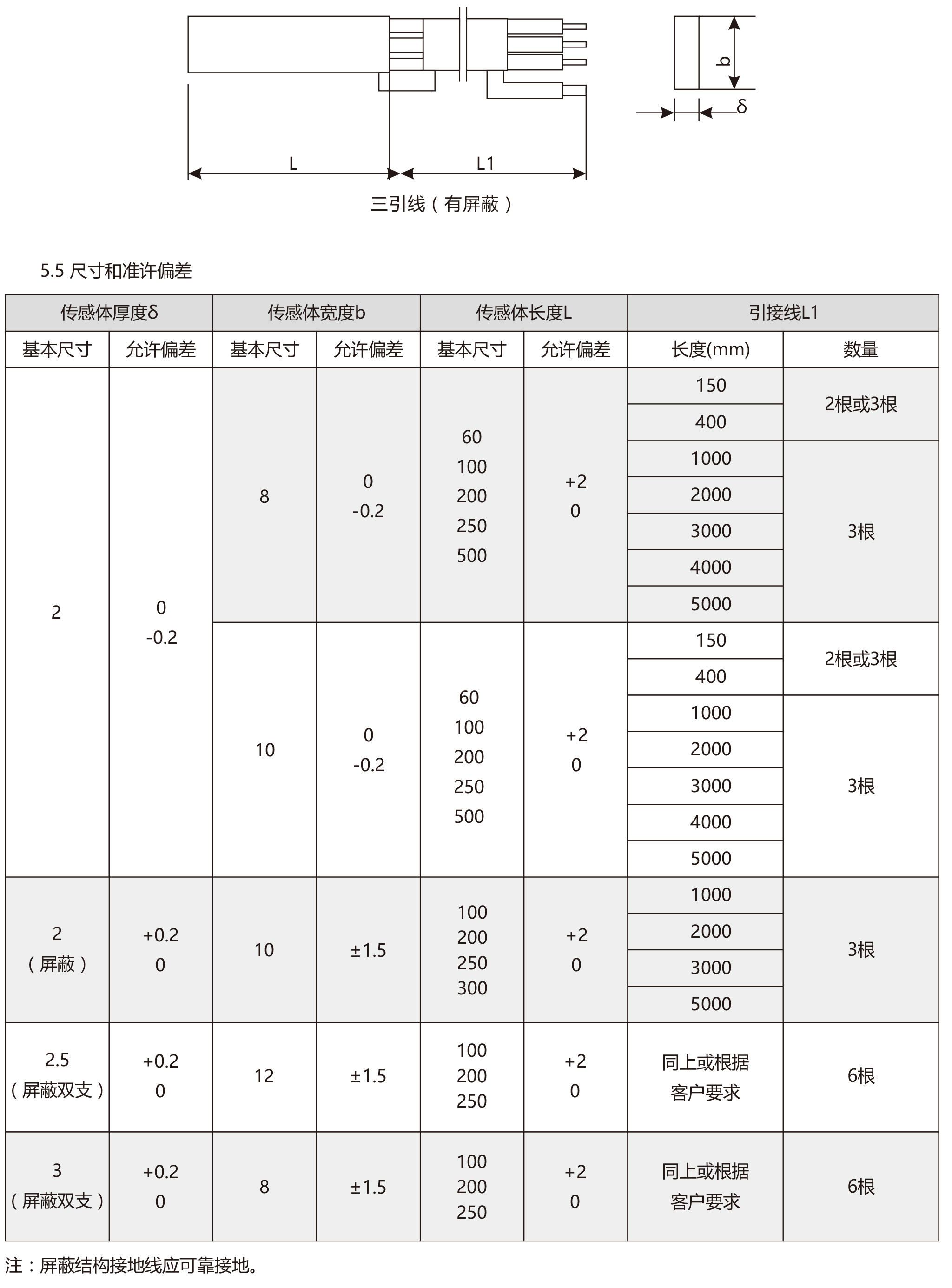
大型电机用埋置式铂热电阻传感器

大型电机用埋置式铂热电阻传感器

  • 详细介绍

1540172257344503.jpg

1539851352841882.jpg

1539851358697238.jpg


本文网址:http://cpxgk.cn/product/578.html

关键词:

上一篇:没有了
下一篇:没有了

最近浏览:

相关产品:

相关新闻:

  • 在线客服
  • 联系电话
    13841516276
  • 在线留言
  • 在线咨询